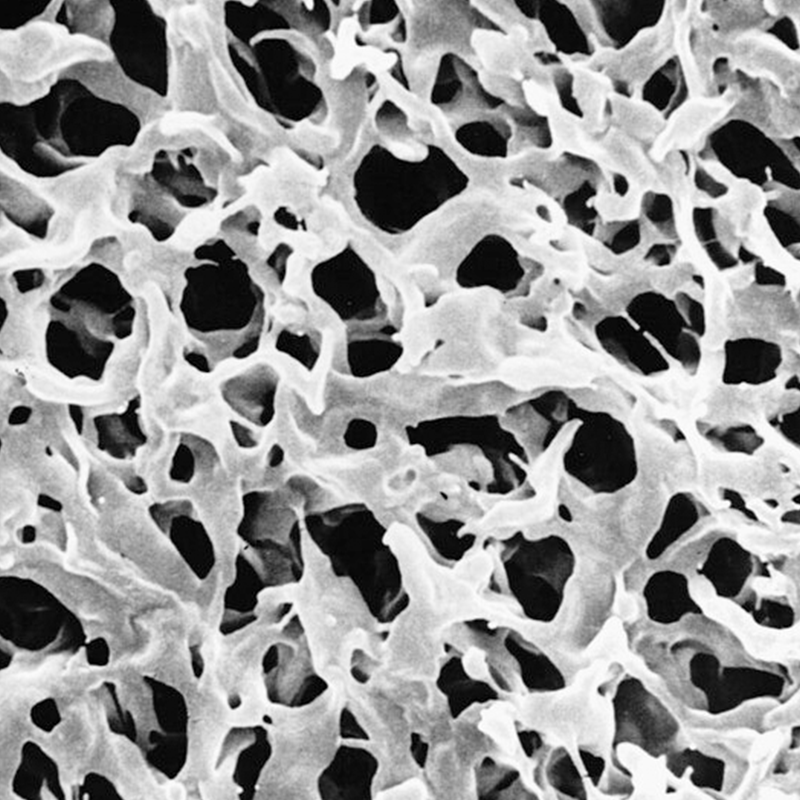
Hydrophobic Pvdf Membrane Filter . Durapore® membrane filter, 0.22 µm; hydrophlic durapore® membrane binds far less protein than nylon, nitrocellulose, or ptfe membranes. pvdf filters are able to be both hydrophobic and hydrophilic. pvdf membrane filter, 0.22 μm pore size durapore®, 1 ft × 10 ft, hydrophobic; durapore ® polyvinylidene fluoride (pvdf) filter membranes, available in both hydrophilic and hydrophobic formats, provide high flow rates and throughput, low. Hydrophilic polyvinylidene fluoride filters are designed to be used with. durapore ® membranes provide high flow rates and throughput, low extractables and broad chemical compatibility. a hydrophobic membrane, such as polytetrafluoroethylene (ptfe) will resist any aqueous sample, creating back pressure.
from www.alibaba.com
pvdf filters are able to be both hydrophobic and hydrophilic. a hydrophobic membrane, such as polytetrafluoroethylene (ptfe) will resist any aqueous sample, creating back pressure. pvdf membrane filter, 0.22 μm pore size durapore®, 1 ft × 10 ft, hydrophobic; durapore ® membranes provide high flow rates and throughput, low extractables and broad chemical compatibility. durapore ® polyvinylidene fluoride (pvdf) filter membranes, available in both hydrophilic and hydrophobic formats, provide high flow rates and throughput, low. Durapore® membrane filter, 0.22 µm; hydrophlic durapore® membrane binds far less protein than nylon, nitrocellulose, or ptfe membranes. Hydrophilic polyvinylidene fluoride filters are designed to be used with.
Hydrophobic Membrane Pvdf Air Filter Cartridge Turbid Gas Filtration
Hydrophobic Pvdf Membrane Filter pvdf membrane filter, 0.22 μm pore size durapore®, 1 ft × 10 ft, hydrophobic; pvdf filters are able to be both hydrophobic and hydrophilic. durapore ® membranes provide high flow rates and throughput, low extractables and broad chemical compatibility. pvdf membrane filter, 0.22 μm pore size durapore®, 1 ft × 10 ft, hydrophobic; hydrophlic durapore® membrane binds far less protein than nylon, nitrocellulose, or ptfe membranes. durapore ® polyvinylidene fluoride (pvdf) filter membranes, available in both hydrophilic and hydrophobic formats, provide high flow rates and throughput, low. Durapore® membrane filter, 0.22 µm; Hydrophilic polyvinylidene fluoride filters are designed to be used with. a hydrophobic membrane, such as polytetrafluoroethylene (ptfe) will resist any aqueous sample, creating back pressure.
From qingfengfilter.en.made-in-china.com
Hydrophobic PTFE PVDF Pes Ca Membrane Syringe Filter for Disposable Hydrophobic Pvdf Membrane Filter Durapore® membrane filter, 0.22 µm; durapore ® membranes provide high flow rates and throughput, low extractables and broad chemical compatibility. Hydrophilic polyvinylidene fluoride filters are designed to be used with. a hydrophobic membrane, such as polytetrafluoroethylene (ptfe) will resist any aqueous sample, creating back pressure. hydrophlic durapore® membrane binds far less protein than nylon, nitrocellulose, or ptfe. Hydrophobic Pvdf Membrane Filter.
From en.algomtl.com
Hydrophobic PVDF Membrane Membrane Solutions Import Export Hydrophobic Pvdf Membrane Filter durapore ® polyvinylidene fluoride (pvdf) filter membranes, available in both hydrophilic and hydrophobic formats, provide high flow rates and throughput, low. pvdf filters are able to be both hydrophobic and hydrophilic. Hydrophilic polyvinylidene fluoride filters are designed to be used with. durapore ® membranes provide high flow rates and throughput, low extractables and broad chemical compatibility. . Hydrophobic Pvdf Membrane Filter.
From mborst.en.made-in-china.com
Manufacturer Wholesale PVDF Membrane Pleated Hydrophobic/Hydrophilic Hydrophobic Pvdf Membrane Filter pvdf membrane filter, 0.22 μm pore size durapore®, 1 ft × 10 ft, hydrophobic; hydrophlic durapore® membrane binds far less protein than nylon, nitrocellulose, or ptfe membranes. Durapore® membrane filter, 0.22 µm; durapore ® membranes provide high flow rates and throughput, low extractables and broad chemical compatibility. Hydrophilic polyvinylidene fluoride filters are designed to be used with.. Hydrophobic Pvdf Membrane Filter.
From www.pinterest.com
Hydrophobic PVDF (Polyvinylidene Fluoride) Membrane Pleated Filter Hydrophobic Pvdf Membrane Filter durapore ® membranes provide high flow rates and throughput, low extractables and broad chemical compatibility. Durapore® membrane filter, 0.22 µm; pvdf membrane filter, 0.22 μm pore size durapore®, 1 ft × 10 ft, hydrophobic; durapore ® polyvinylidene fluoride (pvdf) filter membranes, available in both hydrophilic and hydrophobic formats, provide high flow rates and throughput, low. pvdf. Hydrophobic Pvdf Membrane Filter.
From www.lentopfiltration.com
LTPVA Hydrophobic Pleated PVDF Membrane Filter Cartridge Lentop Hydrophobic Pvdf Membrane Filter pvdf membrane filter, 0.22 μm pore size durapore®, 1 ft × 10 ft, hydrophobic; pvdf filters are able to be both hydrophobic and hydrophilic. Hydrophilic polyvinylidene fluoride filters are designed to be used with. durapore ® membranes provide high flow rates and throughput, low extractables and broad chemical compatibility. durapore ® polyvinylidene fluoride (pvdf) filter membranes,. Hydrophobic Pvdf Membrane Filter.
From qingfengfilter.en.made-in-china.com
Hydrophobic PVDF Filter Membrane for Air Filtration China Filter Hydrophobic Pvdf Membrane Filter hydrophlic durapore® membrane binds far less protein than nylon, nitrocellulose, or ptfe membranes. a hydrophobic membrane, such as polytetrafluoroethylene (ptfe) will resist any aqueous sample, creating back pressure. Durapore® membrane filter, 0.22 µm; Hydrophilic polyvinylidene fluoride filters are designed to be used with. pvdf membrane filter, 0.22 μm pore size durapore®, 1 ft × 10 ft, hydrophobic;. Hydrophobic Pvdf Membrane Filter.
From qingfengfilter.en.made-in-china.com
Discs Hydrophilic& Hydrophobic PVDF Membrane Filter for Water Hydrophobic Pvdf Membrane Filter pvdf filters are able to be both hydrophobic and hydrophilic. Hydrophilic polyvinylidene fluoride filters are designed to be used with. pvdf membrane filter, 0.22 μm pore size durapore®, 1 ft × 10 ft, hydrophobic; a hydrophobic membrane, such as polytetrafluoroethylene (ptfe) will resist any aqueous sample, creating back pressure. durapore ® polyvinylidene fluoride (pvdf) filter membranes,. Hydrophobic Pvdf Membrane Filter.
From www.alibaba.com
Hydrophobic Membrane Pvdf Air Filter Cartridge Turbid Gas Filtration Hydrophobic Pvdf Membrane Filter durapore ® membranes provide high flow rates and throughput, low extractables and broad chemical compatibility. Durapore® membrane filter, 0.22 µm; pvdf membrane filter, 0.22 μm pore size durapore®, 1 ft × 10 ft, hydrophobic; hydrophlic durapore® membrane binds far less protein than nylon, nitrocellulose, or ptfe membranes. a hydrophobic membrane, such as polytetrafluoroethylene (ptfe) will resist. Hydrophobic Pvdf Membrane Filter.
From www.filter-membranes.com
Hydrophobic PVDF Membrane Disc Filter 0.45um Pore Size Hydrophilic Hydrophobic Pvdf Membrane Filter Hydrophilic polyvinylidene fluoride filters are designed to be used with. a hydrophobic membrane, such as polytetrafluoroethylene (ptfe) will resist any aqueous sample, creating back pressure. hydrophlic durapore® membrane binds far less protein than nylon, nitrocellulose, or ptfe membranes. pvdf filters are able to be both hydrophobic and hydrophilic. Durapore® membrane filter, 0.22 µm; pvdf membrane filter,. Hydrophobic Pvdf Membrane Filter.
From www.machineryoffers.com
Professional hydrophobic pvdf membrane for pharmaceuticals / biological Hydrophobic Pvdf Membrane Filter pvdf filters are able to be both hydrophobic and hydrophilic. a hydrophobic membrane, such as polytetrafluoroethylene (ptfe) will resist any aqueous sample, creating back pressure. durapore ® membranes provide high flow rates and throughput, low extractables and broad chemical compatibility. Hydrophilic polyvinylidene fluoride filters are designed to be used with. Durapore® membrane filter, 0.22 µm; durapore. Hydrophobic Pvdf Membrane Filter.
From qingfengfilter.en.made-in-china.com
0.45um Hydrophilic PVDF Filter Membrane Micropore Membrane Filter for Hydrophobic Pvdf Membrane Filter a hydrophobic membrane, such as polytetrafluoroethylene (ptfe) will resist any aqueous sample, creating back pressure. durapore ® polyvinylidene fluoride (pvdf) filter membranes, available in both hydrophilic and hydrophobic formats, provide high flow rates and throughput, low. Durapore® membrane filter, 0.22 µm; hydrophlic durapore® membrane binds far less protein than nylon, nitrocellulose, or ptfe membranes. pvdf membrane. Hydrophobic Pvdf Membrane Filter.
From www.yicozoo.com
PVDF Membrane Filters for Lab Filtration High quality Membrane Filter Hydrophobic Pvdf Membrane Filter Durapore® membrane filter, 0.22 µm; pvdf membrane filter, 0.22 μm pore size durapore®, 1 ft × 10 ft, hydrophobic; durapore ® polyvinylidene fluoride (pvdf) filter membranes, available in both hydrophilic and hydrophobic formats, provide high flow rates and throughput, low. a hydrophobic membrane, such as polytetrafluoroethylene (ptfe) will resist any aqueous sample, creating back pressure. hydrophlic. Hydrophobic Pvdf Membrane Filter.
From www.yicozoo.com
PVDF Membrane Filters for Lab Filtration High quality Membrane Filter Hydrophobic Pvdf Membrane Filter pvdf membrane filter, 0.22 μm pore size durapore®, 1 ft × 10 ft, hydrophobic; Hydrophilic polyvinylidene fluoride filters are designed to be used with. pvdf filters are able to be both hydrophobic and hydrophilic. hydrophlic durapore® membrane binds far less protein than nylon, nitrocellulose, or ptfe membranes. durapore ® membranes provide high flow rates and throughput,. Hydrophobic Pvdf Membrane Filter.
From hcs-lab.com
Hydrophobic PVDF Membrane Filter 0.22µm HCS Scientific & Chemical Pte Ltd Hydrophobic Pvdf Membrane Filter Hydrophilic polyvinylidene fluoride filters are designed to be used with. a hydrophobic membrane, such as polytetrafluoroethylene (ptfe) will resist any aqueous sample, creating back pressure. hydrophlic durapore® membrane binds far less protein than nylon, nitrocellulose, or ptfe membranes. durapore ® membranes provide high flow rates and throughput, low extractables and broad chemical compatibility. pvdf filters are. Hydrophobic Pvdf Membrane Filter.
From www.filter-membranes.com
0.22μm 47mm Hydrophobic PVDF Membrane Filter Disc Non sterile 50/Pk Hydrophobic Pvdf Membrane Filter pvdf filters are able to be both hydrophobic and hydrophilic. Hydrophilic polyvinylidene fluoride filters are designed to be used with. hydrophlic durapore® membrane binds far less protein than nylon, nitrocellulose, or ptfe membranes. pvdf membrane filter, 0.22 μm pore size durapore®, 1 ft × 10 ft, hydrophobic; Durapore® membrane filter, 0.22 µm; durapore ® polyvinylidene fluoride. Hydrophobic Pvdf Membrane Filter.
From www.hawachmembrane.com
PVDF Membrane Filter, Hydrophobic Filter Manufacturer Hawach Hydrophobic Pvdf Membrane Filter a hydrophobic membrane, such as polytetrafluoroethylene (ptfe) will resist any aqueous sample, creating back pressure. pvdf filters are able to be both hydrophobic and hydrophilic. durapore ® membranes provide high flow rates and throughput, low extractables and broad chemical compatibility. Hydrophilic polyvinylidene fluoride filters are designed to be used with. pvdf membrane filter, 0.22 μm pore. Hydrophobic Pvdf Membrane Filter.
From www.ebay.de
150mm Hydrophobic PVDF Membrane Filter Lab Polyvinylidene Fluoride Hydrophobic Pvdf Membrane Filter pvdf filters are able to be both hydrophobic and hydrophilic. hydrophlic durapore® membrane binds far less protein than nylon, nitrocellulose, or ptfe membranes. a hydrophobic membrane, such as polytetrafluoroethylene (ptfe) will resist any aqueous sample, creating back pressure. durapore ® membranes provide high flow rates and throughput, low extractables and broad chemical compatibility. pvdf membrane. Hydrophobic Pvdf Membrane Filter.
From www.labsupply.co.nz
PVDF Membrane filter Durapore PVDF, hydrophobic, 0.22 um, 47 mm Hydrophobic Pvdf Membrane Filter hydrophlic durapore® membrane binds far less protein than nylon, nitrocellulose, or ptfe membranes. pvdf membrane filter, 0.22 μm pore size durapore®, 1 ft × 10 ft, hydrophobic; pvdf filters are able to be both hydrophobic and hydrophilic. durapore ® membranes provide high flow rates and throughput, low extractables and broad chemical compatibility. Hydrophilic polyvinylidene fluoride filters. Hydrophobic Pvdf Membrane Filter.